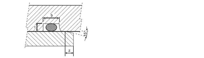
 O型圈/星型圈开槽尺寸建议参数: Parameters of O Ring/X Ring Slotting Dimension
| 密封圈线径C/S | 槽深T | 槽宽B | 密封圈线径C/S | 槽深T | 槽宽B | | 1.00 | 0.80 | 1.3 | 5.00 | 4.00 | 6.5 | | 1.50 | 1.10 | 1.9 | 5.33 | 4.30 | 6.9 | | 1.60 | 1.20 | 2.1 | 5.50 | 4.50 | 7.1 | | 1.78 | 1.30 | 2.3 | 5.70 | 4.65 | 7.4 | | 1.90 | 1.40 | 2.4 | 6.00 | 4.95 | 7.8 | | 2.00 | 1.50 | 2.6 | 6.50 | 5.40 | 8.4 | | 2.40 | 1.80 | 3.1 | 6.99 | 5.85 | 9.1 | | 2.50 | 1.90 | 3.2 | 7.00 | 5.85 | 9.1 | | 2.62 | 2.00 | 3.4 | 7.50 | 6.30 | 9.7 | | 2.70 | 2.10 | 3.5 | 8.00 | 6.75 | 10.4 | | 3.00 | 2.30 | 3.9 | 8.40 | 7.15 | 10.9 | | 3.50 | 2.70 | 4.5 | 8.50 | 7.25 | 11.0 | | 3.53 | 2.70 | 4.5 | 9.00 | 7.70 | 11.7 | | 3.60 | 2.80 | 4.7 | 9.50 | 8.20 | 12.3 | | 4.00 | 3.15 | 5.2 | 10.00 | 8.65 | 13.0 | | 4.50 | 3.60 | 5.8 | - | - | - |  O型圈/星型圈以液体作介质时 Liquid as Medium
| 线径 | 槽深 | 槽宽 | 轴杆导角 | 线径 | 槽深 | 槽宽 | 轴杆导角 | | 1.00 | 0.90 | 1.3 | 1.0 | 5.00 | 4.45 | 6.0 | 2.5 | | 1.50 | 1.30 | 1.9 | 1.0 | 5.33 | 4.70 | 6.4 | 2.7 | | 1.60 | 1.40 | 2.0 | 1.1 | 5.50 | 4.95 | 6.6 | 2.8 | | 1.78 | 1.50 | 2.0 | 1.1 | 5.70 | 5.10 | 6.9 | 3.0 | | 1.90 | 1.60 | 2.4 | 1.2 | 6.00 | 5.40 | 7.2 | 3.1 | | 2.00 | 1.70 | 2.4 | 1.2 | 6.50 | 5.80 | 7.8 | 3.3 | | 2.40 | 2.10 | 2.9 | 1.4 | 6.99 | 6.30 | 8.4 | 3.6 | | 2.50 | 2.20 | 3.0 | 1.4 | 7.00 | 6.30 | 8.4 | 3.6 | | 2.62 | 2.30 | 3.1 | 1.5 | 7.50 | 6.70 | 9.0 | 3.8 | | 2.70 | 2.40 | 3.2 | 1.5 | 8.00 | 7.20 | 9.6 | 4.0 | | 3.00 | 2.60 | 3.6 | 1.6 | 7.40 | 7.60 | 10.1 | 4.2 | | 3.50 | 3.10 | 4.2 | 1.8 | 8.50 | 7.70 | 10.2 | 4.2 | | 3.53 | 3.10 | 4.2 | 1.8 | 9.00 | 8.20 | 10.8 | 4.3 | | 3.60 | 3.20 | 4.3 | 1.8 | 9.50 | 8.60 | 11.4 | 4.4 | | 4.00 | 3.50 | 4.8 | 2.0 | 10.00 | 9.10 | 12.0 | 4.5 | | 4.50 | 4.00 | 5.4 | 2.3 | - | - | - | - | O型圈/星型圈以气体作介质时 Gas as Medium.jpg) | 线径C/S | 槽深T | 槽宽B | 轴杆导角Z | 线径C/S | 槽深T | 槽宽B | 轴杆导角Z | | 1.00 | 0.95 | 1.3 | 1.0 | 5.00 | 4.65 | 6.0 | 2.5 | | 1.50 | 1.35 | 1.9 | 1.0 | 5.33 | 4.95 | 6.4 | 2.7 | | 1.60 | 1.45 | 2.0 | 1.1 | 5.50 | 5.15 | 6.6 | 2.8 | | 1.78 | 1.55 | 2.3 | 1.1 | 5.70 | 5.35 | 6.9 | 3.0 | | 1.90 | 1.75 | 2.4 | 1.2 | 6.00 | 5.65 | 7.2 | 3.1 | | 2.00 | 1.80 | 2.4 | 1.2 | 6.50 | 6.10 | 7.8 | 3.3 | | 2.40 | 2.15 | 2.9 | 1.4 | 6.99 | 6.60 | 8.4 | 3.6 | | 2.50 | 2.25 | 3.0 | 1.4 | 7.00 | 6.60 | 8.4 | 3.6 | | 2.62 | 2.35 | 3.1 | 1.5 | 7.50 | 7.10 | 9.0 | 3.8 | | 2.70 | 2.45 | 3.2 | 1.5 | 8.00 | 7.60 | 9.6 | 4.0 | | 3.00 | 2.75 | 3.6 | 1.6 | 8.40 | 7.90 | 10.1 | 4.2 | | 3.50 | 3.25 | 4.2 | 1.8 | 8.50 | 8.00 | 10.2 | 4.2 | | 3.53 | 3.25 | 4.2 | 1.8 | 9.00 | 8.50 | 10.8 | 4.3 | | 3.60 | 3.35 | 4.3 | 1.8 | 9.50 | 9.00 | 11.4 | 4.4 | | 4.00 | 3.70 | 4.8 | 2.0 | 10.00 | 9.50 | 12.0 | 4.5 | | 4.50 | 4.20 | 5.4 | 2.3 | - | - | - | - | 1 2 3 4 5 6 7 8 9 10 11 12 13 14 15 16 1718 |