★ 您好,欢迎来到上海高辉实业有限公司!!服务热线:13917582728
Logo
网站首页 关于我们 产品中心 客户案例
新闻资讯 资质荣誉 在线留言 联系我们
您现在的位置:网站首页 >> 新闻资讯 >> 气动液压元件(图纸-尺寸)

气动液压元件(图纸-尺寸)

气动密封件材质物性表 Table of Pneumatic Seal Materials

Material材质
item项目
Standard material标准材质
 
NBR
NBR
NBR
NBR
Normality 常态
 
JIS Hs硬度(JIS Hs)
75±5
80±5
85±5
90±5
Min tensile strength kg/cm²抗拉强度(kg/cm²)最小
160
165
165
170
Min elongation      延伸率(%)最小
250
200
200
150
Compressive deformation test       压缩变形测试
 
Temperature time Hrs. 温度(℃)时间(Hrs.)
100℃/70
100℃/70
100℃/70
100℃/70
Max deflection      最大变形量(%)
 
20
20
20
25
Material feature材质特性
Available for oil, without and dry air      
 适用于给油、无给油以及干燥空气的情况下

 

气动液压元件部分

 
Application
用途
 
 
NO.    编号
 
Form形状
Material 材质
Application range 适用范围
Temperature 温度
Pressure 压力
Speed 速度 
For piston
活塞用
APA
NBR
-35~120
10
1.0
APP
NBR
-20~80
10
1.0
PPY
NBR
-20~80
10
1.0
For inching
缓动用
AEI
NBR
-30~120
16
1.0
For axle  
轴用
PDU
NBR
-20~80
10
1.0
PRY
NBR
-20~80
10
1.0
For dust removing 
除尘用
SDR
NBR
-25~100
-
1.0

 

 

 

 

 

 

 

 

 

 

 

 

 

 

 

 

 

 

 


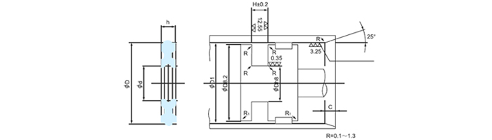
APA尺寸表 APA Size Table  

D

d

h

D

d

D1

H

C

10

5.4

1.7

10

5.4

9.7

1.8

1

12

7.4

1.7

12

7.4

11.7

1.8

1

15

10.4

1.7

15

10.4

14.7

1.8

1

16

11.4

1.7

16

11.4

15.7

1.8

1

20

14

2.2

20

14

19.5

2.4

1.5

25

17

3

25

17

24.5

3.2

2

30

22

3

30

22

29.5

3.2

2

32

24

3

32

24

31.5

3.2

2

38

30

3

38

30

37.5

3.2

2

40

32

3

40

32

39.5

3.2

2

44

36

3

44

36

43.5

3.2

2

50

40

3.8

50

40

49.5

4

2.5

56

46

3.8

56

46

55.5

4

2.5

60

50

3.8

60

50

59.5

4

2.5

63

53

3.8

63

53

62.4

4

2.5

70

55

5.7

70

55

69.4

6

3

75

60

5.7

75

60

74.4

6

3

80

65

5.7

80

65

79.4

6

3

85

70

5.7

85

70

84.4

6

3

90

75

5.7

90

75

89.4

6

3

95

80

5.7

95

80

94.4

6

3

100

85

5.7

100

85

99.4

6

3

110

95

5.7

1410

95

109.3

6

3

115

100

5.7

115

100

114.3

6

3

120

105

5.7

120

105

119.3

6

3.5

125

110

5.7

125

110

124.3

6

3.5

130

115

5.7

130

115

129.3

6

3.5

140

125

5.7

140

125

139.3

6

3.5

150

135

5.7

150

135

149.3

6

3.5

160

140

7.7

160

140

159.3

8

5

175

155

7.7

175

155

174.3

8

5

180

160

7.7

180

160

179.3

8

5

200

180

7.7

200

180

199

8

5

250

230

7.7

250

230

249

8

5

300

280

7.7

300

280

299

8

5

1 2 3 4

上一篇:什么是骨架油封?
下一篇:包覆O型圈的安装方法
返回顶部

上海高辉实业有限公司 版权所有 未经授权禁止复制或镜像
CopyRight 2020 www.513886.com All rights reserved

电话:021-31006198  手机:13917582728(微信同号)QQ:963792717 E-mai:gh6788@126.com  沪ICP备20018710号